用途及性能:
CIP清洗系統俗稱就地清洗系統被廣泛的用于制藥、食品、飲料、乳品、果汁、果漿、果醬、酒類等機械化程度較高的生產企業中。就地清洗簡稱CIP,又稱清洗定位或定位清洗(cleaning in place)。就地清洗是指不用拆開或移動裝置,即采用高溫、高濃度的洗凈液,對設備裝置加以強力作用,把與物料的接觸面洗凈,對衛生級別要求較嚴格的生產設備的清洗、凈化。
特點:
1、CIP清洗系統能保證一定的清洗效果,提高產品的安全性;
2、節約操作時間,提高效率;節約勞動力,保障操作安全;
3、節約水、蒸汽等能源,減少洗滌劑用量;
4、生產設備可實現大型化,自動化水平高;
5、延長生產設備的使用壽命。
6、全自動CIP清洗系統,能對清洗液進行自動檢測.加液.排放.顯示與調整,對其運行可靠,自動化程度高,操作簡單,清洗效果好,因而更符合現代大規模流體藥品、食品加工工藝的衛生要求及生產環境要求。
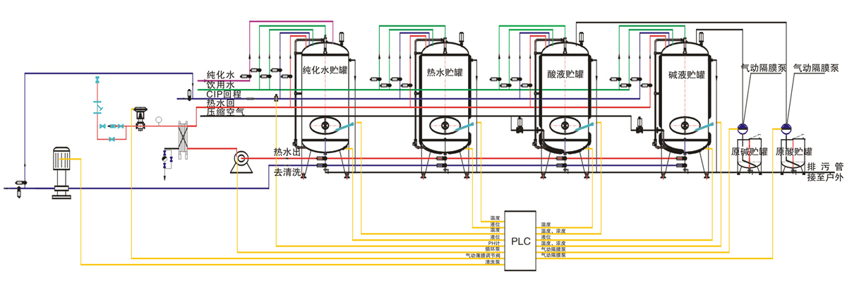
CIP清洗系統的組成:
清水罐、熱水罐、酸液罐、堿液罐、原酸罐、原堿罐、板式換熱器、清洗泵、循環泵、過濾器、氣動隔膜泵、酸/堿濃度計、PH計、系統連接管路和電氣控制系統。
種類:分為手動型、半自動型和自動型
規格型號及主要技術參數
| 參數/規格型號 | CIP500 | CIP1000 | CIP1000 | CIP10000 |
| 原酸罐容積 (L) | 50 | 80 | 100 | 200 |
| 原堿罐容積 (L) | 50 | 80 | 100 | 200 |
| 酸液罐容積 (L) | 500 | 1000 | 2000 | 10000 |
| 堿液罐容積 (L) | 500 | 1000 | 2000 | 10000 |
| 熱水罐容積 (L) | 500 | 1000 | 2000 | 10000 |
| 清水罐容積 (L) | 500 | 1000 | 2000 | 10000 |
| 循環泵 (T/h) | 1.5 | 3.0 | 5.0 | 20.0 |
| 清洗泵 (T/h) | 3.0 | 5.0 | 10.0 | 20.0 |
| 換熱器 (m2) | 3.0 | 5.0 | 7.0 | 15.0 |
以上型號僅供參考,可按用戶要求進行非標定制
